Contact us
Jobs
English
English
Français
Deutsch
Espanol
Connectors
Higo product finder
Higo signal connectors
Higo battery connectors
Higo motor connectors
Customisation
Customisation at Higo
Splitters
Wire harnesses
Customised connectors
Service
Local specialists
Project Management
Professional support
European stock management
Applications
E-bike
E-cargo bike
E-moped
E-motor
E-scooter
E-bike sharing
Smart bike
About us
We are A&C
Higo and A&C
Our customers
Meet the team
Working at A&C
Jobs
Sustainability at A&C
Projects
News
Contact us
Jobs
Product Finder
Chat live with our specialists about your project
Personal approach & professional customer support
Receive a customised quote
within 48 hours
Shipment from stock
within 24 hours
Back to overview
Connectors
Higo
Signal
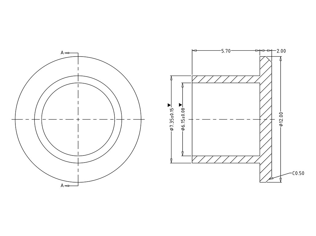
Female cover for mini B connector
Download product sheet
Female cover for mini B connector
ZX09BM
Add to quote cart
Add to Favorites
Specifications
Successfully added to your quote basket!
Continue shopping
View quote basket
Please wait a moment
Please wait a moment